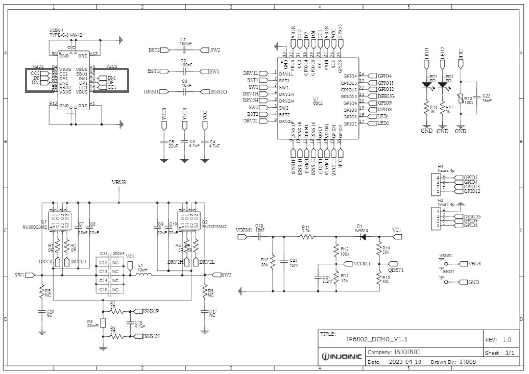
IP6802 应用电路图
做无线充电发射端,很多人的第一反应不是“能不能做”,而是“电路会不会很复杂”。驱动怎么配?通信怎么做?保护怎么加?一旦要兼容不同手机、耳机、手表,甚至还要面对车载输入电压波动,整套方案往往越堆越大、越改越乱。
但如果你把视角拉回到“应用电路图”本身,会发现真正决定复杂度的,不是线画得多不多,而是核心芯片把多少关键模块收进去了。英集芯 IP6802 的价值,恰好就体现在这里:把无线充电发射端控制需要的“关键骨架”集成进一颗 SOC,让电路从“拼装式”变成“收敛式”。
下面从三个不同视角,拆开聊清楚:IP6802 的应用电路图到底在表达什么?它为什么能简化方案?以及这种简化会带来哪些实际收益。
一、从“电路结构视角”看:一张图背后是模块的收敛
看 IP6802 的应用电路图(或者你在做方案时画的原理图),最直观的感受通常是:外围器件不算多,但功能却很全。原因在于它本质上不是“单一控制器”,而是一颗面向无线充电发射端的控制 SOC。
IP6802 集成了这些关键模块:
32位 MCU
ADC
Timer(定时器)
I2C 通信接口
H桥驱动
ASK 解调/解码电路
丰富的 IO 资源
换句话说,原来你可能要在电路上分散解决的“控制、采样、计时、通信、驱动、解调”这些环节,被集中放到一颗芯片里。电路图上的“减少”,不是靠删功能删出来的,而是靠集成度把功能“内化”了。
更关键的一点:IP6802 配合四颗 MOS 管以及少量外围元件,就能实现完整的无线充电发射端功能,甚至可以做 Qi2 无线充电方案。这对电路设计意味着什么?
意味着你的原理图更容易收敛成三块:
输入与供电(4V–20V 输入范围的适配)
功率级(H桥驱动 + 外置 MOS)
监测与控制(由芯片内部完成,外围只做必要的连接与热敏/保护配合)
当电路结构收敛,布局布线、EMI控制、BOM核算、调试路径都会变得更“线性”。工程上最怕的不是难,而是“散”:模块散、问题散、责任散。IP6802 的应用电路图之所以让人安心,核心就在于它让系统结构更集中、更可控。
二、从“标准与兼容视角”看:电路图要服务的是协议与功率范围
很多无线充电方案翻车,不是因为“电路画错了”,而是因为“协议不匹配”。你能点亮线圈,不等于你能稳定充电;你能输出功率,不等于对方愿意接收功率。应用电路图的意义,最终要落到:这套硬件是否能支持主流标准、覆盖主流设备。
IP6802 支持并兼容:
Qi 1.3:BPP / EPP
Qi 2.0:MPP
并且覆盖 5W 到 15W 的无线充电输出,同时向下兼容低功率设备。
这对电路设计者来说有个非常现实的好处:你不必为不同功率段和不同标准,准备完全不同的硬件架构。尤其在一套产品要面对“手机+耳机+手表”的混合场景时,硬件越统一,后续的认证、量产一致性就越好。
电路图里那些你看似“平平无奇”的连接,其实是在为协议链路让路:
芯片内部集成 ASK 解调/解码,使通信链路更完整
MCU + ADC + Timer 的组合,让功率控制与状态机更容易在一颗芯片内闭环
通过标准兼容性覆盖,减少“换机型就要换方案”的风险
你可以把它理解成:应用电路图不只是“电能怎么走”,更是“信息怎么走”。无线充电不是单向供电,它是带通信的能量传输。IP6802 把通信与控制也收进来,才让“兼容性”这件事在硬件层面可落地。

三、从“安全与量产视角”看:应用电路图的难点往往在保护与监测
真正上量时,你会发现决定口碑的不是峰值功率,而是稳定性与安全性。无线充电尤其如此:温升、异物、输入波动、不同适配器的差异,都会在量产后变成投诉。
IP6802 的应用电路图之所以更适合做成稳定产品,是因为它把“监测与保护”做成了芯片内建能力,而不是依赖外部堆料去补。它具备实时监测,可对充电过程中的电流、电压、温度等参数进行动态调整;同时支持静态和动态 FOD(异物检测)。
保护机制也更完整:
输入过压保护
过流保护
欠压保护
NTC 过温保护
这些东西在图纸上看起来可能只是几根线、几个引脚、一个 NTC,但对量产来说就是“止损线”。因为无线充电是长时间贴身使用的场景:手机放床头、耳机放桌面、车载放中控——一旦温度或异物导致异常,不是“充不进电”这么简单,往往直接影响安全感。
另外,IP6802 的输入电压范围是 4V–20V,并且支持 PD3.0 及多种 DP&DM 快充协议,适配多种电源适配器。这一点对实际产品非常关键:
家用场景:用户可能用不同品牌的充电头
办公场景:可能接拓展坞或不同 USB 口
车载场景:车载供电体系复杂,输入波动更常见
当输入端不确定性很高时,应用电路图的“可用性”就看芯片是否能把适配和协商做得更稳。支持 PD3.0、多种快充协议,意味着方案在面对不同电源时更有谈判空间,产品体验更不容易被“用户随手换了个充电头”打断。
四、再补一层:紧凑封装与多场景落地,决定“电路图能放进哪里”
有些方案原理没问题,但就是塞不进产品。无线充电发射端的空间很宝贵:要放线圈、要做散热、要留磁吸结构(尤其 Qi2.0 MPP),电路部分越大越吃亏。
IP6802 采用 QFN32 封装,体积小巧,便于集成到各类无线充电设备中。对工程师来说,这不只是“芯片小”,更意味着:
PCB 走线更容易压缩
结构件和线圈摆放更自由
整机厚度更容易控制
你再把应用场景放进来,会发现这类封装与集成度,最受益的是那些“尺寸敏感”的产品:手机充电底座、耳机座充、手表充电板、车载无线充电器等。尤其车载场景,常常需要在有限空间里做到稳定、低温升、兼容不同手机壳与摆放姿态,电路更简洁、可控性更强,工程风险就更低。
此外,材料提到 IP6802 支持多线圈设计,能够实现多设备同时充电。这类需求对电路图的挑战在于:系统复杂度会因为“多线圈”而指数上升,而高集成 SOC 的价值,往往就在这种场景里被放大——你更需要一颗芯片把控制、监测、通信、保护统筹起来,避免电路在扩展后失控。
把应用电路图看懂,本质是在看“系统复杂度从哪里来,又被怎样消解”。IP6802 的思路很明确:用高集成度把无线充电发射端的关键模块收进芯片内部,让外围更少、结构更集中;再用 Qi 1.3(BPP/EPP)与 Qi 2.0(MPP)的兼容能力,覆盖 5W–15W 的主流功率区间;同时用实时监测、FOD 与多重保护,把量产最怕的风险提前关在门内。
如果你正在做无线充电发射端方案,不妨在评论区说说你的目标产品是手机底座、耳机座充还是车载?你最卡的是兼容性、温升还是认证?